Hallo ich habe eine Spartamet bj 1990 und sie läuft nicht im standgas...habe die Vermutung das eine Dichtung am Vergaser nicht richtig ist. (Die kleine Ring-Dichtung Nr.17 laut der Zeichnung) jetzt meine Frage ich kann auf der Zeichnung nicht erkennen wo diese Dichtung genau hin muss.
Vlt kann mir jemand da helfen
PS. Habe den sachs 301/AB Vergaser
Um antworten zu können, musst Du Dich erst
registrieren
Re: Vergaser
-
SvenBecker -
04.09.22 20:01 Uhr
Klicks:25 Ahoi, Lenny,
301/AB ist der Motor.
Der Vergaser ist entweder ein BING oder ein TK.
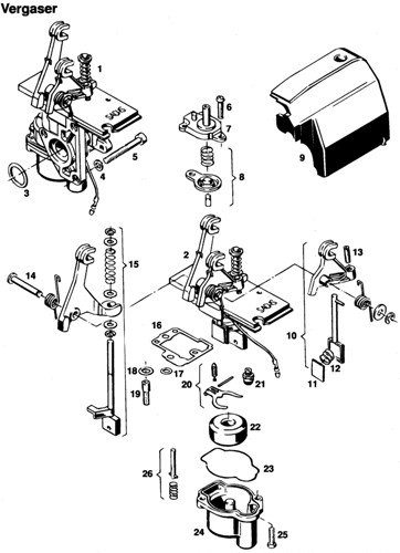
Welche Zeichnung meinst Du? Vielleicht diese (TK)?

Da müssen wir wohl auf die TK-Experten warten.
Saxo-nette Grüße
Sven
Um antworten zu können, musst Du Dich erst
registrieren
Re: Vergaser
-
Lenny_s98 -
05.09.22 08:38 Uhr
Klicks:23 Ja genau die Zeichnung meinte ich
LG.
Um antworten zu können, musst Du Dich erst
registrieren
Re: Vergaser
-
Holzwurm -
05.09.22 08:46 Uhr
Klicks:26 Vermutlich ist es aber eine verstopfte Leerlaufdüse.
https://www.hilfsmotor.eu/wiki/Standgas/ Klaus
Um antworten zu können, musst Du Dich erst
registrieren
Re: Vergaser
-
Lenny_s98 -
05.09.22 16:54 Uhr
Klicks:28 Ja war die standgasdüse läuft jetzt wieder danke für die schnelle Hilfe :)
Um antworten zu können, musst Du Dich erst
registrieren