Anzeige:

Saxonette- und Spartamet- Forum

Zurück zu: Saxonette- und Spartamet- Forum | Kompletter Thread
Motor lässt sich nicht abschalten - Thumbnail von Montepit Montepit - 25.01.10 17:33 Uhr Klicks:45
Hallo Gemeinde.
Wer weiß Rat? Der Motor springt super an aber lässt sich trotz schalten am Griff auf Null leider nicht zum schweigen bringen. Kann mir Jemand sagen wo ich angreifen soll? Vielen Dank im Voraus, Euer Monte.
Um antworten zu können, musst Du Dich erst registrieren
Re: Motor lässt sich nicht abschalten - Thumbnail von Herbert Herbert Administrator - 25.01.10 17:45 Uhr Klicks:43
Hallo Monte,

das liegt evtl. am Kurzschlussschalter im Vergaser. Evtl ist das Kabel, dass aus dem Vergaser kommt nicht richtig verbunden.

Gruß

Herbert
Um antworten zu können, musst Du Dich erst registrieren
Hallo kleiner Berg,
in diesem Fall würde ich die Bowdenzugschraube die direkt am Chokeschalter sich befindet,etwas rausdrehen dann läßt sich der Motor in aller Regel auch wieder abstellen.

Es seie denn es liegt am Kurzschlußschalter wie Herbert schon sagte.

Gruß Bernhard
Um antworten zu können, musst Du Dich erst registrieren
Re: Motor lässt sich nicht abschalten - Thumbnail von Herbert Herbert Administrator - 25.01.10 17:55 Uhr Klicks:42
Du kannst auch mal versuchen, den Choke-Hebel ganz nach vorne zu drücken.

Gruß

Herbert
Um antworten zu können, musst Du Dich erst registrieren
Re: Motor lässt sich nicht abschalten - Thumbnail von fipskeny fipskeny - 25.01.10 18:28 Uhr Klicks:40
Hast Du den Vergaser zerlegt? Es könnte auch ein Montagefehler am Kurzschlußmechanismus vorliegen .
Um antworten zu können, musst Du Dich erst registrieren
Re: Motor lässt sich nicht abschalten - Thumbnail von Montepit Montepit - 25.01.10 19:17 Uhr Klicks:38
Hmm. beim ersten Mal habe ich aus Neugierde mal das Kabel an einen Piepser (Durchgangsprüfer) angeschlossen. In einer Stellung war deutlich ein Kontakt zu hören. Nachdem ich den Vergaser nochmals zerlegt habe, habe ich wahrscheinlich da einen Bock geschossen. Während der Motor lief, habe ich auch mal unten am Hebel etwas nachgedrückt, hat aber nichts gebracht....
Um antworten zu können, musst Du Dich erst registrieren
Re: Motor lässt sich nicht abschalten - Thumbnail von Herbert Herbert Administrator - 25.01.10 19:20 Uhr Klicks:39
Hallo Monte, hast Du evtl. beim Zusammenbau die Kurzschlussfeder vergessen? Evtl. fehlte sie ja auch schon vorher.

Ist es ein Bing oder ein TK-Vergaser?

Gruß

Herbert
Um antworten zu können, musst Du Dich erst registrieren
Re: Motor lässt sich nicht abschalten - Thumbnail von Montepit Montepit - 25.01.10 19:28 Uhr Klicks:39
Oh Gott, da ist eine Feder rausgefallen. Ich habe ewig gesucht wo die rein muss und nur einen Punkt gefunden wo sie passt...und zwar an der Vergaserseite unten auf einen Kunststoffgnubbel und oben über einen Stift. War das richtig? Gibt es da eine gute groe Explosionsteilzeichnung?
Um antworten zu können, musst Du Dich erst registrieren
Re: Motor lässt sich nicht abschalten - Thumbnail von Montepit Montepit - 25.01.10 19:30 Uhr Klicks:39
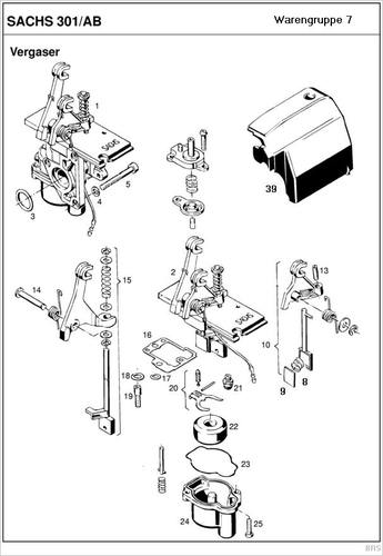
Sorry Herbert, weiß nicht was es für einen Versager hat....habe aber das Typenschild vom Motor hier. Steht drauf: Fichtel und Sachs, Typ Sachs 301/AB 3occm.
Um antworten zu können, musst Du Dich erst registrieren
Re: Motor lässt sich nicht abschalten - Thumbnail von Alexander Alexander - 25.01.10 19:36 Uhr Klicks:40
wenn Bing Vergaser, schau mal da:

http://www.hilfsmotor.eu/galleryimages/REhRZBrQ.jpg

Gruß
Alex
Um antworten zu können, musst Du Dich erst registrieren
Re: Motor lässt sich nicht abschalten - Thumbnail von Montepit Montepit - 25.01.10 19:40 Uhr Klicks:39
Hallo Alexander, danke für Dein Bild. Aber meiner sieht anders aus. Der Schwimmer ist ziemlich flach, schwarz und der Hebel für das Schwimmernadelventil besteht aus zwei verzweigten hebeln.
Um antworten zu können, musst Du Dich erst registrieren
Re: Motor lässt sich nicht abschalten - Thumbnail von Herbert Herbert Administrator - 25.01.10 19:46 Uhr Klicks:39
Um antworten zu können, musst Du Dich erst registrieren
Re: Motor lässt sich nicht abschalten - Thumbnail von dgohlke dgohlke - 25.01.10 19:46 Uhr Klicks:39
Moin Alex,
da musst du deinen TK plan noch rausrücken...
Um antworten zu können, musst Du Dich erst registrieren
Re: Motor lässt sich nicht abschalten - Thumbnail von Herbert Herbert Administrator - 25.01.10 19:51 Uhr Klicks:39
Hallo Monte

die Feder verbindet den Schalter (bewegliches Messingplättchen)mit dem Vergasergehäuse. Der von dir angesprochene Stift ist richtig. Dort sitzt die Feder drauf.

Gruß

Herbert
Um antworten zu können, musst Du Dich erst registrieren
Re: Motor lässt sich nicht abschalten - Thumbnail von Montepit Montepit - 25.01.10 19:59 Uhr Klicks:37
Hallo Herbert.
Danke, der Vergaser ist es auch.
Muß morgen noch mal Forschung betreiben.
Gruß Monte.
Um antworten zu können, musst Du Dich erst registrieren
Re: Motor lässt sich nicht abschalten - Thumbnail von Alexander Alexander - 25.01.10 21:04 Uhr Klicks:38
da noch ein Versuch diesesmat TK-Vergaser,

http://www.hilfsmotor.eu/galleryimages/jTTyMUcA.jpg

evtl etwas deutlicher zu sehen.

Alex

PS: nee auch nicht wesentlich deutlicher. Ich werd mal daran arbeiten.
Bilder gehen hier nicht größere Darstellung.
Werde es mal über meine Wbseite versuchen.
Um antworten zu können, musst Du Dich erst registrieren
Re: Motor lässt sich nicht abschalten - Thumbnail von Alexander Alexander - 25.01.10 21:36 Uhr Klicks:37
so, jetzt etwas größer

http://www.schau-malrein.de/TKVergaser.jpg

Alex
Um antworten zu können, musst Du Dich erst registrieren
Re: Motor lässt sich nicht abschalten - Thumbnail von Montepit Montepit - 26.01.10 05:54 Uhr Klicks:39
Oh Danke, sieht gut aus.
Müßte die Feder neben der Zahl 24 sein, oder?
Danke, werde es die Tage noch checken.
Gruß Monte.
Um antworten zu können, musst Du Dich erst registrieren
Re: Motor lässt sich nicht abschalten - Thumbnail von Alexander Alexander - 26.01.10 13:04 Uhr Klicks:35
hab noch einen älteren Beitrag von Bernhard zum TK entdeckt:

http://www.hilfsmotor.eu/forum/Saxonette_und_Spartamet/thread/23878/

könnte Dir weiterhelfen

Alex
Um antworten zu können, musst Du Dich erst registrieren
Re: Motor lässt sich nicht abschalten - Thumbnail von Montepit Montepit - 26.01.10 17:46 Uhr Klicks:29
Hy Alex.
Wow, vielen Dank für Deine Hilfe. Hab mir das mal genau durchgelesen...super.
Sobald es wärmer wird geh ich mal ran.
Gruß Monte.
Um antworten zu können, musst Du Dich erst registrieren
Anzeige: