Anzeige:

Saxonette- und Spartamet- Forum

Zurück zu: Saxonette- und Spartamet- Forum | Kompletter Thread
Drehzahlbegrenzung - Thumbnail von schrauber95 schrauber95 - 06.05.10 22:00 Uhr Klicks:60
Hallo, bin neu hier im Forum.
Ich habe mir ein Zündmodul selber gelötet und würde gerne wissen ob, und wie man da eine Drehzahlbegrenzung einbauen kann, so wie beim Original. Das Originalmodul ist leider kaputt, damit kann man nur noch 16 KMh fahren.
Vielen Dank Im Voraus :wink:
Um antworten zu können, musst Du Dich erst registrieren
Re: Drehzahlbegrenzung - Thumbnail von Marcel Marcel - 07.05.10 07:06 Uhr Klicks:57
moins,

also wenn du dir schon eins selber gebaut hast.... (wo sind die pläne her.... hmmmm respekt vor der elektronischen leistung) wirft sich die frage auf wieso du da eine drehzahlbegrenzung einbauen möchtest.

du hast schon kein original modul drinne was sich ja nicht so ganz mit der ABE verträgt und dann willst du es noch begrenzen?

also ich finde das paßt nicht so richtig zusammen.....

oder????


cu marcel
Um antworten zu können, musst Du Dich erst registrieren
Re: Drehzahlbegrenzung - Thumbnail von thorsten thorsten - 07.05.10 11:23 Uhr Klicks:54
klar geht das.
aber ob du das alles in ein passendes gehäuse bekommst ist fraglich.

thorsten
Um antworten zu können, musst Du Dich erst registrieren
Re: Drehzahlbegrenzung - Thumbnail von schrauber95 schrauber95 - 07.05.10 13:32 Uhr Klicks:52
Also das ist volgendes.
Ich möchte mir eine Pedelecfuktion einbauen, bin halt ein Bastler und dann wäre das ding ja auch theoretisch Führerscheinfrei. Das Gehäuse könnte man passend machen. Hier der Link zum Modul.
http://home.versatel.nl/rsetteur/spartamet/cdi_spartamet.htm
Um antworten zu können, musst Du Dich erst registrieren
Re: Drehzahlbegrenzung - Thumbnail von Paddy Paddy - 07.05.10 13:57 Uhr Klicks:52
Hallo,
ist ja sehr interessant - toll !
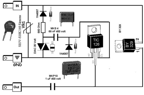
VDR 1 mit 140 Volt hat Schutzfunktion wegen Überspannungen.
Bei IN kommt eine Wechselspannung von der Generatorspule rein.
Der Negativanteil von dieser lädt den Diac bis hoch zu 30 Volt.
Über die dicke Diode BY 329 wird derweil der dicke Kondensator geladen. ---- 1 Mikrofarad.
Wenn am Diac 30 Volt erreicht sind, dann wird der leitend und durch den 68 Nanofaradkondensator
rast ein positiver Zündimpuls zum Gate des Thyristors TIC 126. Das ist rechts außen am TIC 126.
Genau in dem Moment wird der dicke 1 Mikrofarad rechtsseitig auf Masse = GND geschaltet. - Thyristor ist leitend.
Dann geht die ganze 1 Mikrofaradenergie an den OUT Ausgang und da hängt die Zündspule dran .
Die transformiert hoch auf - keine Ahnung - 15000 bis 20000 Volt Impuls für die Zündkerze.
Wenn der 1 Mikrofarad leer ist - sperrt der Thyristor wieder und wartet auf den nächsten Zündimpuls.
Eine Drehzahlgrenze kann da so nicht rein.
Das bedeutet mehr Aufwand.
Du müßtest dann die Frequenz der Zündimpulse entkoppelt ( ohne sie zu belasten ) erfassen und mit einem Frequenz / Spannungswandler und einer Abschaltstufe die Gateimpulse vom Thyristor absperren ==> jaaa - aufwändiger
Gruß Paddy :wink:

http://www.hilfsmotor.eu/galleryimages/2wqGart1.jpg
Um antworten zu können, musst Du Dich erst registrieren
Re: Drehzahlbegrenzung - Thumbnail von schrauber95 schrauber95 - 07.05.10 18:16 Uhr Klicks:43
Klingt ja wirklich nicht so einfach. Aber beim Original muss es ja auch irgendwie funktioniert haben. Mit einem oder zwei bauteilen. In einem anderen Forum habe ich mal gelesen das man, wenn man ein Loch an einer bestimmten stelle, glaube am out anschluss rein bohrt, dass dann die Drehzahlbegrenzung aufgehoben ist. Hat vielleicht jemand ein Schaltbild vom Originalmodul, habe noch keins gefunden.
Danke
Um antworten zu können, musst Du Dich erst registrieren
Re: Drehzahlbegrenzung - Thumbnail von DL7RR (verstorben) DL7RR (verstorben) - 07.05.10 18:38 Uhr Klicks:42
Finde wir sollten das Themo Umweltmodul nicht weiter vertiefen,denn es könnte für den Admin unter gewissen Umständen zu Problemen führen!!!


Bernhard
Um antworten zu können, musst Du Dich erst registrieren
Anzeige: